Tóm tắt nội dung [Ẩn]
1. Giới thiệu sản phẩm Hộp số bánh răng hành tinh NGW-L42
1.1. Tổng quan sản phẩm
Hộp số bánh răng hành tinh NGW-42 là một trong những model thuộc dòng Bộ giảm tốc hành tinh NGW Series, được thiết kế chuyên dụng cho các hệ thống truyền động công suất lớn và yêu cầu mô-men xoắn cao. Với cấu trúc truyền động hành tinh tiên tiến, NGW-42 mang lại hiệu suất vượt trội, độ bền cao, hoạt động ổn định ngay cả trong môi trường công nghiệp nặng.
Sản phẩm được sản xuất bởi Tailong Group – Trung Quốc, và phân phối độc quyền tại Việt Nam bởi Cầu trục Đại Việt.
1.2. Ứng dụng tiêu biểu
Hộp số NGW-42 được ứng dụng rộng rãi trong nhiều lĩnh vực công nghiệp, bao gồm:
- Ngành khai thác mỏ & luyện kim: truyền động cho băng tải, máy nghiền, thiết bị cán thép.
- Máy nâng hạ & thiết bị vận chuyển: cần cẩu, cẩu trục, hệ thống thang nâng tải trọng lớn.
- Công nghiệp năng lượng: hệ thống tuabin, máy phát điện, năng lượng tái tạo.
- Công nghiệp sản xuất vật liệu xây dựng: máy trộn, máy ép, máy cán.
- Ngành hóa chất & xi măng: máy khuấy, máy nghiền bi, lò quay.
1.3. Đặc điểm cấu tạo cơ bản
- Cơ cấu truyền động hành tinh (Planetary Gear System): gồm bánh răng mặt trời, bánh răng hành tinh và vòng răng.
- Kích thước & công suất: lớn hơn các model NGW cấp thấp, phù hợp cho tải nặng.
- Vật liệu chế tạo: thép hợp kim chất lượng cao, xử lý nhiệt và tôi cứng bề mặt.
- Vỏ hộp số: đúc nguyên khối, đảm bảo độ cứng vững và khả năng tản nhiệt tốt
2. Thông số kỹ thuật & Cấu tạo của NGW-L 42
2.1. Thông tin tổng quan
Các sản phẩm được thiết kế theo dạng hộp giảm tốc hành tinh NGW-L một cấp và hai cấp (L42–L122). Chúng có thể được ứng dụng trong các lĩnh vực như luyện kim, cầu trục, vận tải, công nghiệp hóa chất và công nghiệp nhẹ như một cơ cấu truyền động thông dụng.
Điều kiện áp dụng như sau:
- Tốc độ quay tối đa của trục tốc độ cao: không vượt quá 1500 vòng/phút (r/min).
- Vận tốc vòng răng: không vượt quá 15 m/s.
- Nhiệt độ môi trường làm việc: từ –40°C đến 45°C.
- Khi nhiệt độ dưới 0°C cần làm nóng trước dầu bôi trơn trước khi vận hành.
- Cho phép hoạt động theo cả chiều thuận và chiều nghịch.
2.2. Thông số kỹ thuật cơ bản
1. Thông số chung
- (pedestal No.): Số hiệu vỏ hộp giảm tốc → ở đây là 4.
- (specification): Quy cách/mã sản phẩm → NGW-L42.
- (Nominal Transmission ratio): Tỉ số truyền danh nghĩa → 25–100.
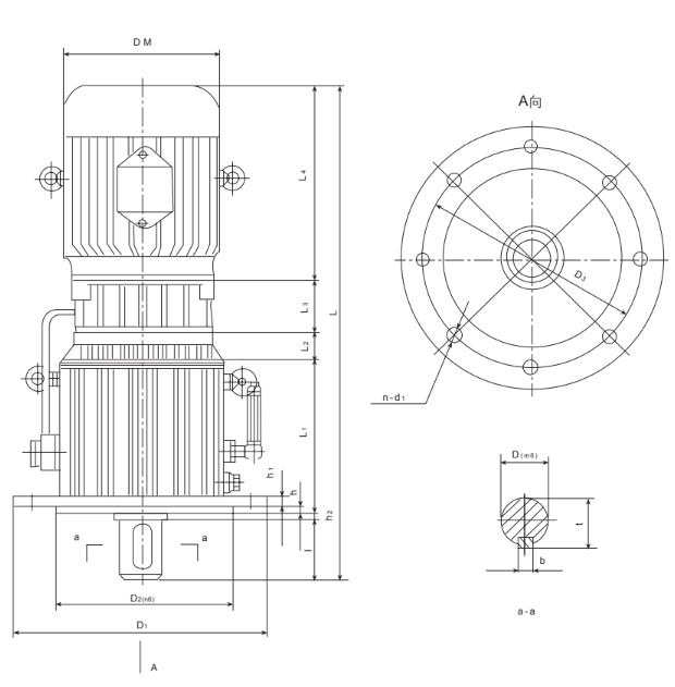
2. (Outlook – Kích thước tổng thể)
- DM: Đường kính lắp đặt chuẩn
-
L, L1, L2, L3, L4: Các kích thước chiều dài khác nhau của hộp giảm tốc:
- L1 = 315 mm → chiều dài chính phần thân.
- L2 = 62 mm → chiều dài đoạn thân phía trước.
Chú thích: DM, L, L4, L3 được xác định theo thông số kỹ thuật của động cơ được thiết kế. Trọng lượng khoảng không bao gồm trọng lượng của động cơ.
3. (Flange and screw hole – Bích và lỗ bulong)
- D1 = 485 mm → Đường kính ngoài của bích.
- D2 = 385 mm → Đường kính trong bích (lỗ định vị).
- D3 = 435 mm → Đường kính vòng bu lông.
- n × d1 = 8 × 22 mm → Có 8 lỗ bulong, đường kính mỗi lỗ = 22 mm.
- h = 8 mm → Chiều cao gờ định vị bích.
- h1 = 25 mm → Kích thước gờ phụ.
- h2 = 20 mm → Kích thước gờ phụ khác.
4. (Axle extension – Trục đầu ra)
- D = 80 mm → Đường kính trục ra.
- l = 130 mm → Chiều dài trục ra.
- t = 85 mm → Chiều dài then (key).
- b = 22 mm → Chiều rộng then (keyway).
5. Khối lượng & dầu bôi trơn
- (Weight) = 180 kg → Trọng lượng hộp giảm tốc.
- (Volume of oil) = ~11.6 L → Lượng dầu bôi trơn cần thiết.
2.3. Cách ký hiệu sản phẩm

- NGW-L → Dòng sản phẩm hộp giảm tốc hành tinh NGW kiểu L.
- 4 → Số hiệu máy (NO.4 pedestal – tức là kích cỡ hoặc cấp máy số 4).
- 1 → Số cấp truyền (ở đây là 1 cấp giảm tốc – single stage reducer).
- -5 → Tỷ số truyền loại số 5 (the 5th transmission ratio).
???? Như vậy, NGW-L41-5 được hiểu là:
Hộp giảm tốc hành tinh NGW-L, loại máy số 4, 1 cấp giảm tốc, tỷ số truyền số 5.
2.4. Bản vẽ chi tiết

2.5. Tỉ số truyền của hộp giảm tốc một cấp (single stage transmission ratio)

Ý nghĩa kỹ thuật
1. Cột đầu tiên
- (No. of transmission): Số cấp truyền động (ở đây là 1 → nghĩa là hộp giảm tốc 1 cấp hành tinh).
- (Nominal transmission ratio): Tỉ số truyền danh nghĩa (25 trong bảng này).
???? Nghĩa là tất cả các thông số liệt kê bên dưới áp dụng cho hộp giảm tốc NGW-L loại tỉ số truyền i = 25.
2. Các cột tiếp theo
Mỗi cột ứng với một model/vỏ hộp giảm tốc khác nhau:
- NGW-L42, NGW-L52, NGW-L62, NGW-L72, NGW-L82, NGW-L92, NGW-L102, NGW-L112, NGW-L122.
3. Các hàng bên trong mỗi model
-
n (r/min): Tốc độ quay đầu vào (số vòng/phút).
→ Liệt kê các giá trị: 600, 750, 1000, 1500 vòng/phút. -
P (kW): Công suất đầu vào cho phép (Kilowatt).
→ Cho biết công suất động cơ có thể ghép với hộp giảm tốc. -
T (Nm): Momen xoắn đầu ra (Newton-mét).
→ Giá trị momen mà hộp giảm tốc có thể truyền ra tại trục đầu ra, tùy theo tốc độ và model.
4. Cách đọc ví dụ
Ví dụ NGW-L62 (cột số 6):
-
Khi n = 1000 r/min →
- Công suất vào P = 36.5 kW
- Momen ra T = 8530 Nm.
Ví dụ NGW-L102 (cột số 10):
-
Khi n = 1500 r/min →
- Công suất vào P = 232.4 kW
- Momen ra T = 36240 Nm.
2.6. Cách chọn hộp giảm tốc
Để chọn bộ giảm tốc hành tinh một tầng loại NGW-L, hãy sử dụng điều kiện dịch vụ sau:
Trong đó:
- PX – Công suất đầu vào lựa chọn (selected input power), đơn vị kW.
- PS – Công suất đầu vào thực tế (actual input power), đơn vị kW.
- TX – Mô-men xoắn đầu ra lựa chọn (selected output torque), đơn vị N·m.
- TS – Mô-men xoắn đầu ra thực tế (actual output torque), đơn vị N·m.
- K1 – Hệ số sử dụng, xem Bảng 33 (service factor).
-
K2 – Hệ số liên quan đến điều kiện bôi trơn:
- Khi hộp giảm tốc sử dụng bôi trơn tuần hoàn thì K2 = 1.
- Khi hộp giảm tốc sử dụng bôi trơn dầu ngâm (oil sump lubrication) thì giá trị khuyến nghị của K2 được nêu trong Bảng 34.
Nguyên tắc lựa chọn:
Dựa trên giá trị PX hoặc TX đã tính toán cùng với các điều kiện khác đã biết, tiến hành chọn loại hộp giảm tốc theo Bảng 4 ~ 9.
Hộp giảm tốc được chọn phải thỏa mãn điều kiện:
- PX ≤ P1 hoặc TX ≤ T.

Bảng 33- Hệ số dịch vụ K1
Giá trị K1 trong bảng chỉ áp dụng cho trường hợp truyền động bằng động cơ điện hoặc tua-bin hơi nước.
Khi sử dụng động cơ nhiều xi-lanh để truyền động, giá trị K1 trong bảng cần tăng thêm 25%.
Loại hình làm việc được xác định theo tiêu chuẩn JB1130-70 “Hộp giảm tốc bánh răng trụ (Cylindrical Gear Decelerator)”.
Bảng 34-Hệ số dịch vụ K2 nếu sử dụng bôi trơn xả dầu

Việc lựa chọn hộp giảm tốc 2 cấp tương tự như hộp giảm tốc 1 cấp, tuy nhiên động cơ được lựa chọn dựa theo khả năng tải.
- Động cơ đi kèm: sử dụng động cơ không đồng bộ đứng loại Y hoặc động cơ không đồng bộ đứng chống cháy nổ.
- Để thuận tiện cho việc lựa chọn hộp giảm tốc, sự ghép nối giữa động cơ và hộp giảm tốc được chia thành 3 nhóm:
a. Nếu công suất trục vào của hộp giảm tốc bằng 0,94 ~ 1,4 lần công suất động cơ, tức là tích số K1 × K2 < 1,4 sau khi tính toán theo phương pháp lựa chọn hộp giảm tốc 1 cấp, thì có thể chọn theo công suất đầy đủ, được ký hiệu bằng “○”, gọi là thông số cơ bản. Trường hợp này thường áp dụng cho làm việc liên tục ổn định hoặc tải va đập nhẹ.
b. Nếu công suất trục vào của hộp giảm tốc bằng 1,4 ~ 2,5 lần công suất động cơ, tức là tích số K1 × K2 < 2,5 sau khi tính toán theo phương pháp lựa chọn hộp giảm tốc 1 cấp, thì có thể chọn theo công suất đầy đủ, được ký hiệu bằng “△”, gọi là thông số cơ bản. Trường hợp này thường áp dụng cho tải va đập trung bình hoặc tải va đập nặng.
c. Giá trị nhân cụ thể trong các trường hợp a và b cần được xác định bằng cách so sánh giá trị công suất ghi trong bảng với công suất động cơ.
d. Nếu công suất động cơ được chọn bằng 1,1 – 1,2 lần công suất trục vào của hộp giảm tốc, thì việc lựa chọn phải dựa theo mô-men xoắn cho phép theo phương pháp chọn hộp giảm tốc 1 cấp, đồng thời phải lắp thiết bị an toàn trên trục tốc độ cao của hộp giảm tốc để ngăn ngừa tình trạng làm việc quá tải.
3. Ưu điểm nổi bật của Hộp số hành tinh NGWL-42
3.1. Hiệu suất cao – Tiết kiệm năng lượng
- Hiệu suất truyền động đạt 92% – 98%, giảm thiểu tổn thất cơ học.
- Đáp ứng yêu cầu tiết kiệm năng lượng trong các dây chuyền sản xuất hiện đại.
3.2. Độ bền và khả năng chịu tải vượt trội
- Chịu được tải trọng mô-men cực lớn, hoạt động liên tục trong thời gian dài.
- Độ bền cao nhờ công nghệ gia công bánh răng CNC chính xác và xử lý nhiệt bề mặt.
3.3. Thiết kế linh hoạt – Đa dạng ứng dụng
- Có nhiều cấp giảm tốc, tỉ số truyền đa dạng đáp ứng nhiều dải tốc độ khác nhau.
- Tích hợp dễ dàng với các hệ thống truyền động cơ điện công suất lớn.
- Hỗ trợ nhiều phương án lắp đặt: ngang, dọc, kết hợp.
3.4. Hoạt động ổn định – Tiếng ồn thấp
- Cơ cấu bánh răng hành tinh phân bố tải đều, giúp giảm rung lắc.
- Tiếng ồn thấp, vận hành êm ái, phù hợp cả trong môi trường công nghiệp khắt khe.
4. Lý do chọn Bộ giảm tốc NGW-L tại Cầu Trục Đại Việt
4.1. Sản phẩm chính hãng từ nhà sản xuất hàng đầu
Bộ giảm tốc NGW-L do Cầu Trục Đại Việt cung cấp được nhập khẩu trực tiếp từ các nhà máy uy tín trong lĩnh vực sản xuất planetary gear reducers, đảm bảo tiêu chuẩn quốc tế.
4.2. CO/CQ đầy đủ – Bảo hành chính hãng
Tất cả sản phẩm đều có chứng chỉ CO/CQ, cam kết rõ ràng về nguồn gốc và chất lượng. Bảo hành chính hãng lên tới 12 tháng.
4.3. Tư vấn kỹ thuật & triển khai lắp đặt tận nơi
Đội ngũ kỹ sư chuyên sâu của chúng tôi sẽ đồng hành cùng khách hàng từ khâu tư vấn, lựa chọn sản phẩm đến lắp đặt, vận hành và bảo trì hệ thống.
4.4. Hỗ trợ đấu thầu và chiết khấu theo dự án
- Hỗ trợ tài liệu kỹ thuật, bản vẽ CAD, file mô phỏng 3D
- Giá cạnh tranh – ưu đãi tốt cho đại lý, nhà thầu và đơn vị thi công
4.5. Thông Tin Liên Hệ và Hỗ Trợ
Hãy liên hệ ngay với Công ty CP Cầu Trục Đại Việt để được tư vấn và báo giá nhanh chóng:
- Hotline: 0917320986 / 0979670025
- Email: info@vnid.vn
- Website: tailong.vn
- Địa chỉ: Số 16 Ngõ Nhân Hòa, đường Hải Bối, xã Hải Bối, huyện Đông Anh, TP. Hà Nội
Tailong’s certificates


Hình ảnh: nhà máy Tập đoàn Tailong
