Tăng Cường Hiệu Suất Sản Xuất với Động Cơ Điện Ba Pha Loại YE2 Tailong
1. Động Cơ Điện Không Đồng Bộ Ba Pha: Hiệu Quả & Linh Hoạt Trong Công Nghiệp
Động cơ điện không đồng bộ ba pha, hay còn gọi là động cơ điện ba pha, là một trong những thành tựu kỹ thuật quan trọng nhất trong lĩnh vực công nghiệp và sản xuất. Với cấu tạo phức tạp và nguyên lý hoạt động thông minh, đây không chỉ là một trong những nguồn năng lượng quan trọng, mà còn là động lực cho sự phát triển và vận hành hiệu quả của rất nhiều thiết bị công nghiệp.
1.1. Cấu tạo và nguyên lý hoạt động của động cơ không đồng bộ ba pha
Động cơ không đồng bộ ba pha có cấu tạo gồm 02 bộ phận chính là: Stator và Rotor. Stator là phần đứng yên của động cơ, gồm các cuộn dây stator được đặt trong lõi thép. Stator là phần đứng yên của động cơ, gồm các cuộn dây stator được đặt trong lõi thép.
Nguyên lý hoạt động: Khi cấp điện cho stator, các cuộn dây stator sẽ tạo ra từ trường quay. Từ trường này sẽ tác dụng lên các thanh dẫn hoặc cuộn dây rotor, tạo ra dòng điện cảm ứng trong rotor. Dòng điện cảm ứng này lại tạo ra lực điện từ, tác dụng lên rotor, làm cho rotor quay. Tốc độ quay của rotor (n) luôn nhỏ hơn tốc độ của từ trường quay (n1). Sự chênh lệch tốc độ này được gọi là tốc độ trượt (s), được tính theo công thức: s=n1-nn1
1.2. Ưu - nhược điểm của động cơ điện không đồng bộ pha ba
- Ưu điểm:
+ Động cơ không đồng bộ ba pha có cấu tạo đơn giản, dễ chế tạo, giá thành rẻ.
+ Động cơ có hiệu suất cao, tiết kiệm điện năng.
+ Động cơ có độ tin cậy cao, ít hỏng hóc.
+ Động cơ dễ điều khiển, lắp đặt.
- Nhược điểm:
+ Động cơ có dòng điện khởi động lớn, gây ra hiện tượng quá tải cho lưới điện.
+ Động cơ không thể điều chỉnh tốc độ một cách linh hoạt.
- Cách sử dụng: Để sử dụng động cơ không đồng bộ ba pha, cần lưu ý những điều sau:
+ Chọn động cơ có công suất phù hợp với tải.
+ Chọn động cơ có tốc độ phù hợp với yêu cầu.
+ Sử dụng phương pháp khởi động phù hợp để giảm dòng điện khởi động.
+ Bảo trì, bảo dưỡng động cơ định kỳ để đảm bảo động cơ hoạt động tốt.
2. Động cơ điện không đồng bộ ba pha Tailong: Sức mạnh đằng sau sự đổi mới công nghệ
2.1. Jiangsu Tailong - Đối tác tin cậy cho sản phẩm động cơ không đồng bộ ba pha có chất lượng tốt nhất
Jiangsu Tailong Machinery group là một tập đoàn quốc gia lớn tại Trung Quốc chuyên sản xuất các mặt hàng động cơ điện (electric motor, geared motor), hộp giảm tốc, máy vít… chất lượng cao, uy tín, với hơn 20 năm kinh nghiệm và sự chuyên nghiệp, hãng đã tạo dựng một tên tuổi mạnh mẽ và độ uy tín cao trên thị trường cả trong nước lẫn quốc tế.
Sứ mệnh và cam kết:
TAILONG luôn cam kết cung cấp các sản phẩm động cơ điện ba pha chất lượng cao, hiệu suất ổn định và tính tin cậy tối đa. Sứ mệnh của họ là đem đến những giải pháp năng lượng thông minh và tiết kiệm, phục vụ cho nhu cầu của khách hàng trong các ngành công nghiệp đa dạng.
Sản Phẩm và Công Nghệ
Tập đoàn Tailong chuyên sản xuất và cung cấp động cơ điện ba pha với một loạt sản phẩm đa dạng, từ các loại động cơ nhỏ đến động cơ công suất lớn. Các sản phẩm của họ được chế tạo từ vật liệu chất lượng cao và được thiết kế theo công nghệ hiện đại, đảm bảo hiệu suất hoạt động vượt trội và độ bền bỉ theo thời gian.
Cam Kết Bảo Hành và Hỗ Trợ Khách Hàng
Hãng Tailong không chỉ cung cấp các sản phẩm chất lượng mà còn chú trọng đến dịch vụ hậu mãi. Họ cam kết bảo hành sản phẩm lên đến một thời gian dài và luôn sẵn sàng hỗ trợ khách hàng trong quá trình sử dụng, bảo dưỡng và xử lý các vấn đề kỹ thuật.
Tầm Ảnh Hưởng và Thị Trường
Với độ tin cậy và chất lượng cao, TAILONG GROUP đã vươn ra ngoài thị trường Trung Quốc và có mặt tại nhiều quốc gia trên thế giới. Sản phẩm của họ được áp dụng rộng rãi trong nhiều lĩnh vực khác nhau từ công nghiệp sản xuất, đến ngành vận tải và hệ thống cơ sở hạ tầng.
Tailong’s certificates

Hình ảnh: Các chứng nhận mà tập đoàn Tailong đã đạt được
2.2. Sức Mạnh Vượt Trội: Sản Phẩm Động Cơ Điện Ba Pha
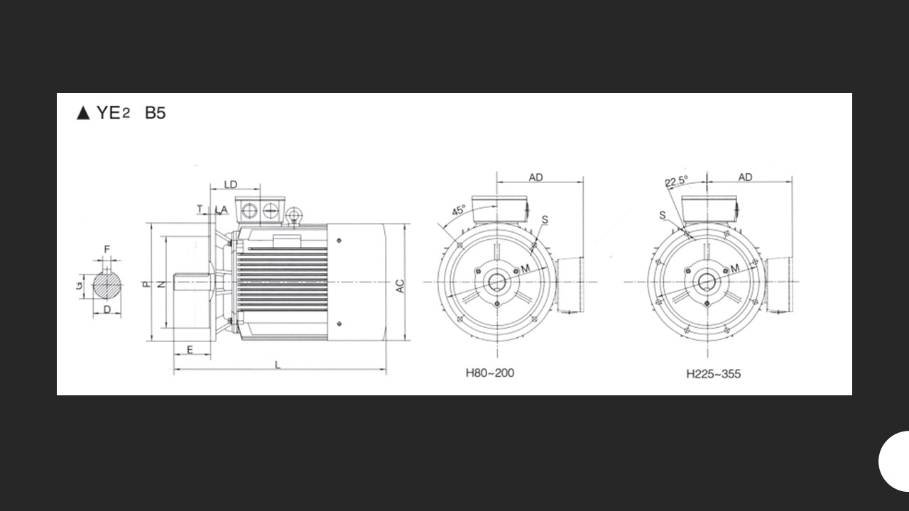
Động cơ YE2 là một dòng động cơ tiết kiệm năng lượng cao cấp Hengda, được phát triển với mục tiêu tiết kiệm tài nguyên và năng lượng trong xã hội. Đây là động cơ có hiệu suất vượt trội, đạt tiêu chuẩn quốc gia về tiết kiệm năng lượng và chuẩn IE2 châu Âu. So với dòng động cơ Y2, động cơ YE2 có hiệu suất cao hơn khoảng 2.55%, giúp giảm áp lực ngân sách, tiết kiệm chi phí vận hành và tạo ra lợi nhuận tối đa. Nó cũng có lợi ích trong việc bảo vệ môi trường và phù hợp với ý thức tiết kiệm năng lượng cũng như quy định pháp luật mới.
Dưới đây là hình ảnh mặt cắt của động cơ YE2 cùng với các kiểu lắp đặt.


3. Khám Phá Động Cơ Điện Ba Pha YE2 - Động Cơ Hiệu Quả và Đáng Tin Cậy từ VNID.,JSC
Xin chào và cảm ơn bạn đã quan tâm đến sản phẩm Động Cơ Điện Không Đồng Bộ Ba Pha YE2 tại VNID.,JSC - địa chỉ tin cậy cung cấp các sản phẩm chất lượng hàng đầu trong lĩnh vực công nghiệp.
VNID.,JSC tự hào là đơn vị phân phối chính thức các sản phẩm từ Tailong tại Việt Nam trong hơn 15 năm qua. Với cam kết mang đến sản phẩm chất lượng và dịch vụ tư vấn chuyên nghiệp, chúng tôi đặt sự hài lòng của khách hàng lên hàng đầu.
3.1. Ưu Điểm Khi Mua Động Cơ Điện 3 pha YE2 Tailong Chính Hãng Tại VNID.,JSC
Chất Lượng Đảm Bảo:
Sản phẩm được cung cấp bởi VNID.,JSC là hàng chính hãng, đảm bảo về chất lượng và tuổi thọ cao. Chúng tôi cam kết mang đến cho bạn những sản phẩm tốt nhất, giúp tối ưu hóa hiệu suất và độ bền cho các ứng dụng công nghiệp của bạn.
Giá Cả Cạnh Tranh:
Tự hào là nhà nhập khẩu trực tiếp từ hãng Tailong Group, VNID cam kết cung cấp sản phẩm chính hãng với giá cả cạnh tranh nhất trên thị trường. Bằng việc tiếp cận trực tiếp với nhà sản xuất, chúng tôi loại bỏ các bước trung gian, giảm chi phí phát sinh và tối ưu hóa quá trình nhập khẩu. Điều này giúp chúng tôi cung cấp động cơ không đồng bộ ba pha YE2 Tailong với mức giá tối ưu, đồng thời đảm bảo tính chất lượng và xuất xứ rõ ràng của sản phẩm. Sự minh bạch trong quy trình cung ứng giúp quý khách hàng an tâm và tin tưởng khi chọn lựa sản phẩm từ chúng tôi, đồng thời tiết kiệm chi phí một cách hiệu quả.
Tư Vấn Chuyên Nghiệp:
VNID.,JSC không chỉ đơn thuần là nơi mua sắm, mà còn là địa chỉ để bạn nhận được sự tư vấn chuyên nghiệp. Chúng tôi hiểu rõ rằng việc lựa chọn sản phẩm phù hợp có thể ảnh hưởng lớn đến hiệu suất công việc của bạn. Đội ngũ chuyên gia của chúng tôi không chỉ có kiến thức sâu rộng về sản phẩm mà còn luôn sẵn sàng tư vấn, hỗ trợ bạn trong việc chọn lựa sản phẩm phù hợp nhất với nhu cầu của bạn.
Dịch Vụ Sau Bán Hàng Xuất Sắc:
Chúng tôi cam kết mang đến cho bạn trải nghiệm mua hàng tốt nhất, kèm theo dịch vụ hậu mãi chuyên nghiệp và nhanh chóng. Bất kể bạn gặp phải bất kỳ vấn đề gì, từ việc lắp đặt đến vận hành, chúng tôi luôn sẵn lòng hỗ trợ bạn để giải quyết mọi khó khăn một cách nhanh nhất. Đối với chúng tôi, sự hài lòng của khách hàng là ưu tiên hàng đầu.
Giấy tờ nhập khẩu đầy đủ:

3.2. Thông Tin Liên Hệ và Hỗ Trợ Từ VNID.,JSC:
Liên hệ ngay để khám phá thế giới Động Cơ Điện 3 PhaTailong:
Hotline: 0917320986 / 0979670025
Email: info@vnid.vn
Website: tailong.vn
Địa chỉ: Số 16 Ngõ Nhân Hòa, đường Hải Bối, xã Hải Bối, huyện Đông Anh, thành phố Hà Nội, Việt Nam
VNID.,JSC cam kết mang đến sản phẩm chất lượng, dịch vụ chuyên nghiệp và giá trị vượt trội cho khách hàng. Hãy đồng hành cùng chúng tôi để tạo nên sự thành công và hiệu suất vượt trội cho doanh nghiệp của bạn!
